-
-
-
Tổng tiền thanh toán:
-
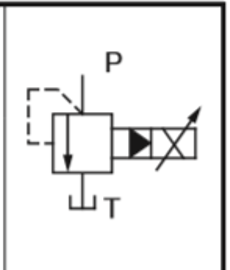
Thương hiệu: NACHI Loại: Van tỉ lệ
Van tỷ lệ điều chỉnh áp suất ER-series cung cấp tại Siêu thị thủy lực được nhập khẩu trực tiếp từ Nachi-Nhật Bản. Siêu thị thủy lực chính thức phân phối các sản phẩm của Nachi tại Việt Nam. Liên hệ để được tư vấn miễn phí và nhận ưu đãi mua hàng!


Xem thêm: Van tỷ lệ áp suất epr-series

- Lưu lượng làm việc từ 150-320lít / phút
- Áp suất làm việc từ 0.3-35MPa
- Van này kết hợp một van hỗ trợ tỷ lệ thủy lực tỷ lệ nhỏ gọn, hiệu suất cao và van giảm áp loại piston cân bằng để cung cấp kiểm soát áp suất tỷ lệ với dòng điện đầu vào. Khối lượng thông lượng và dao động nhiệt độ dầu ít ảnh hưởng đến áp suất điều khiển, do đó van này cung cấp điều khiển vòng hở của áp lực (lực) phức tạp.
Xem thêm: Van tỷ lệ điều chỉnh giảm áp suất kiểu xếp chồng eog-series


Siêu thị thủy lực
Địa chỉ: Số 4 ngõ 110 Trần Duy Hưng, Trung Hòa, Cầu Giấy, Hà Nội
Điện thoại: 0977282045
Email: sieuthithuyluc@gmail.com