-
-
-
Tổng tiền thanh toán:
-
Thương hiệu: NACHI Loại: Van điều khiển
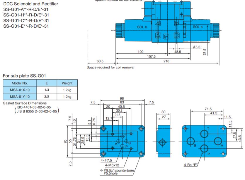
Van thủy lực Nachi SS-G01-C7Y-R-D2-31 hiện sẵn hàng tại kho Siêu thị thủy lực số lượng lớn. Nhập khẩu trực tiếp từ hãng không qua trung gian, chúng tôi có chính sách giá tốt nhất cho khách hàng của mình. Đặt mua hàng nhanh chóng qua hotline 0977282045 để được tư vấn 24/7!








Xem thêm: Van điều khiển điện Nachi SS-G01-C5-GR-D2-31 giá tốt nhất tại Hà Nội

Van thủy lực Nachi SS-G01-C7Y-R-D2-31 hiện đang được phân phối trên toàn quốc bởi Siêu thị thủy lực. Với gần 15 năm kinh nghiệm hoạt động trong lĩnh vực tự động hóa và thiết bị thủy lực, chúng tôi tự tin mang đến cho quý khách hàng những sản phẩm chất lượng tốt và uy tín nhất toàn quốc. Chúng tôi cam kết:
CÔNG TY CỔ PHẦN TỰ ĐỘNG HÓA AN HUY
——————————————————————————
Địa chỉ : 91 Đê La Thành, Ô Chợ Dừa, Đống Đa, Hà Nội
Điện thoại: 0977282045 – 0989257507
Email: anhuyhydraulic@gmail.com
——————————————————————————
Xem thêm: Van điều khiển giá tốt nhất tại Hà Nội