-
-
-
Tổng tiền thanh toán:
-
Van thủy lực điều khiển điện, phân loại và bảng giá
10/03/2020
Van thủy lực điều khiển điện sử dụng trong các lĩnh vực công nghiệp với đa dạng các mã sản phẩm. Khách hàng cần tư vấn về Van điều khiển sử dụng điện. Liên hệ với Siêu thị thủy lực chúng tôi để được tư vấn và nhận bảng giá tốt nhất thị trường!
Van thủy lực điều khiển điện là gì?
Van thủy lực điều khiển điện là các loại van thủy lực thực hiện các chức năng như: chỉnh áp suất hệ thống –van an toàn; Van phân phối; Van điều chỉnh lưu lượng (tiết lưu); điều chỉnh áp suất (van tràn-van an toàn) van áp suất có xả tải; van tỷ lệ áp suất ; Van phân phối điều khiển điện từ;Van phân phối tỷ lệ; Van tiết lưu tỷ lệ ; Van tỷ lệ áp-lưu và v.v…
Van áp suất
Là van để chỉnh áp suất của hệ thống thủy lực để bảo vệ bơm và các thiết bị thủy lực trong hệ thông không bị hư hỏng vì quá tải.Nó chỉ dung điện để điều khiển xả tải khi hệ thống không làm việc.
Ký hiệu :


Các tùy chọn khác: Tùy chọn này dùng để giảm chấn trong van tràn chỉnh áp suất đó là lắp thêm van tiết lưu kiểu lắp chồng có dạng theo hình sau:
Van phân phối điều khiển bằng điện từ: Sơ đồ và ký hiệu chúng theo hãng YUKEN




Tên gọi của van có ba vị trí là DSG cho van đơn cho cỡ -01 và -03 và DSHG cho van hai cấp từ cỡ -04 đên -10 và cho van 3 vị trí thì vị trí chuyển tiếp thi có số theo bảng dưới đây. Ví dụ:
DSG-01-3C2+ điện áp điều khiển van. Hoặc DSHG-06-3C1+ điện áp điều khiển. Van con trên van mẹ thường là với mạch van ở giữa là (4) DSG-01-3C4+điện áp .
Mã các van này là đặt theo hãng YUKEN còn hãng khác lại có mã khác ví dụ van cỡ -01 của Yuken sang mã của hãng Rexroth (Đức) là 4WE6-…
Sau đây là bảng chuyển đổi van cỡ -01 và 03 giữa các hãng để tham khảo:
Van tỷ lệ hộn hợp điện thủy lực


*)Van tiết lưu tỷ lệ:

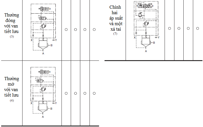
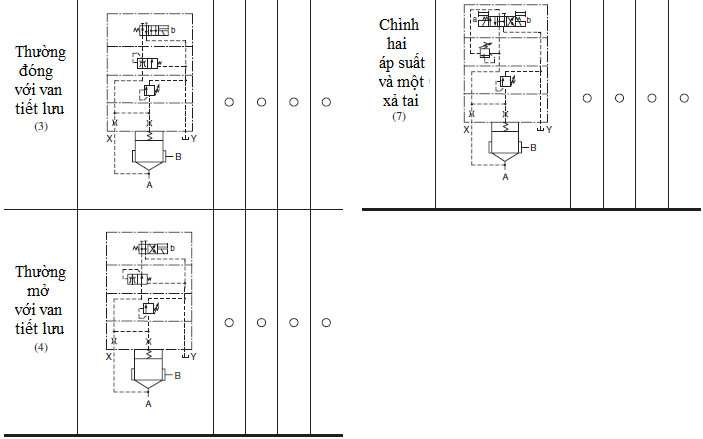
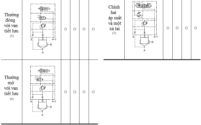
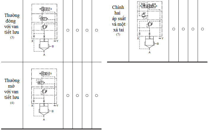
Van logic điều khiển điện:
Những van logic cũng dảm nhận các chức năng như: van tràn (van an toàn ); Van phân phối điều khiển các van đóng mở các cửa.
Sơ đồ như sau:

*) Van chỉnh áp suất:


*)Van phân phối:

Mã đặt hàng và sơ đồ ký hiệu van phân phối điều khiển điện từ logic (Xem bảng sau):


Bảng giá Van thủy lực điều khiển điện
Siêu thị thủy lực với 12 năm kinh nghiệm trong nghề phân phối thiết bị thủy lực. Chúng tôi là đơn vị hàng đầu cả nước trong lĩnh vực dịch vụ thương mại và cung cấp giải pháp thủy lực luôn cung cấp các sản phẩm chính hãng với giá tốt nhất đến với khách hàng
Là nhà phân phối chính hãng của các thương hiệu lớn như PARKER, ASEDA, ETON, YUKEN,...
Tham khảo sản phẩm: DẦU THỦY LỰC LÀ GÌ, GIÁ DẦU THỦY LỰC CHÍNH HÃNG TỐT NHẤT THỊ TRƯỜNG
Phân phối toàn quốc, vận chuyển miễn phí!
Liên hệ ngay để được tư vấn và lựa chọn sản phẩm phù hợp!
Hotline 0977282045
Email sieuthithuyluc@gmail.com
Sđt: 0243-513-2848 bấm phím 102 để gặp bộ phận kinh doanh.
Địa chỉ: Số 91 Đường Đê La Thành, Ô Chợ Dừa, Đống Đa, Hà Nội.