-
-
-
Tổng tiền thanh toán:
-
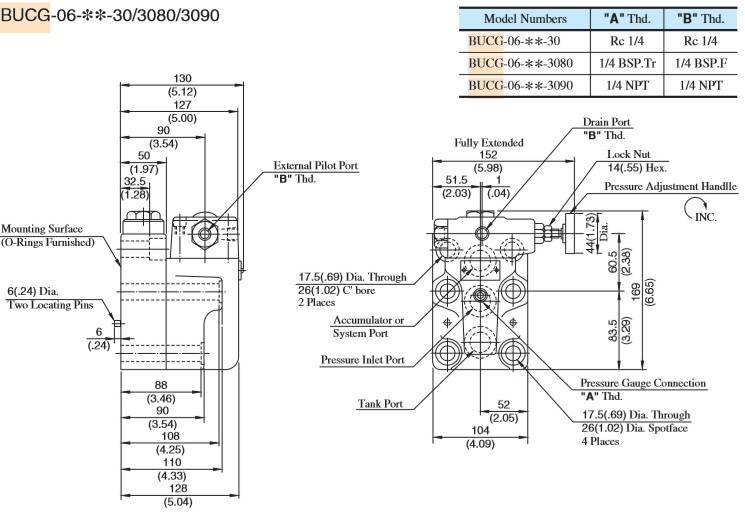
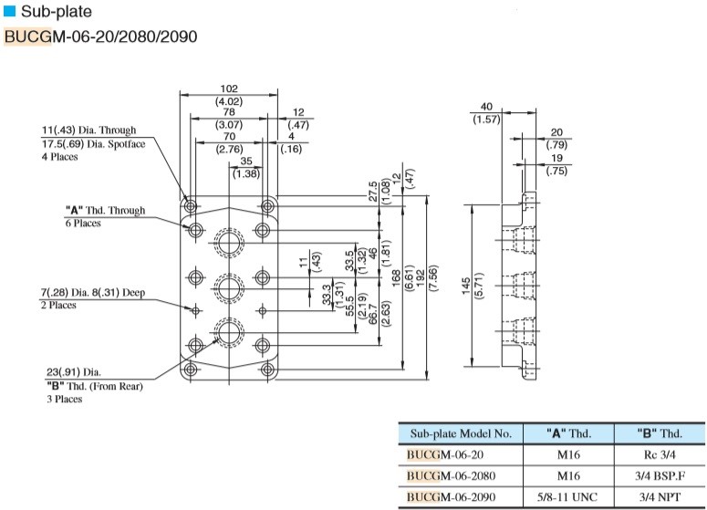
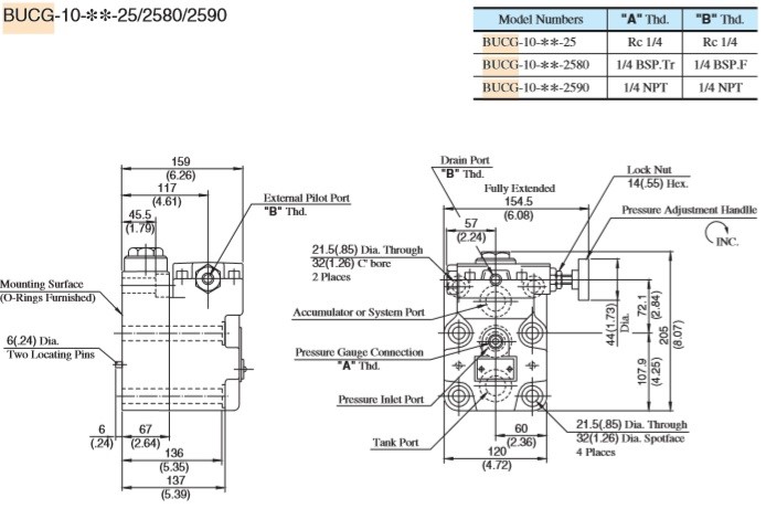
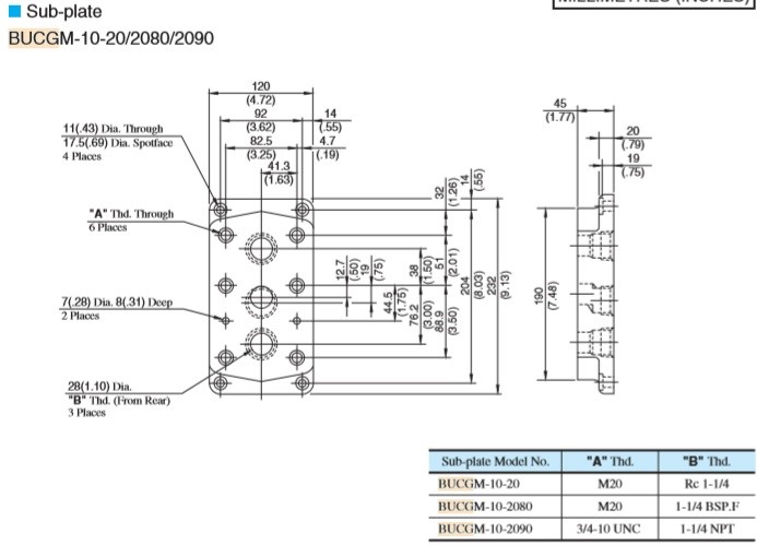
Thương hiệu: YUKEN Loại: Van thủy lực
Lưu lượng(Displacement): 125 cc ÷ 250 L/min
Áp suất làm việc tối đa(Max operating pressure): 210 bar
Khối lượng(Approx.Mass): 12 ÷ 21.5 Kg
Van thủy lực áp suất cơ (Van tràn xả tải) BUCG thường dùng trong mạch truyền động thủy lực cho việc bảo vệ bơm và các bình tích áp suất của mạch.Cho bơm làm việc trong mạch áp suất lúc cao lúc thấp.
Khi áp suất trong bình tích đạt áp suất cao (ápđặt của bính tích) thì bơm được xả tải làm việc ở chế độ áp suất thấp.(Nhờ đường điều khiển làm cho van tràn được xả tải) bơm được xả tải tự động.
Khi bình tích áp xả tải đến áp suất dừng thì van BUCG lại làm cho bơm làm việc với áp suất điều chỉnh trước để cấp dầu nạp vào các bình tích áp và cho hệ thống thủy lực.
Trong mạch bơm áp cao-lưu lượng thấp, van đóng vai trò để tháo tải các bơm lưu lượng lớn với cách thức tương tự như mô tả ở trên trong khi vận hành có tải áp suất nhỏ lưu lượng bơm lớn
Xem thêm: Bơm bánh răng Parker PGP chính hãng giá tốt



Ứng dụng của sản phẩm van YUKEN
Tham khảo: Van chống lún một chiều




YUKEN, ASEDA, PARKER, EATON……
Xilanh khí, xilanh điện, Xilanh thủy lực, van điện từ, bộ lọc khí, co nối và ống. Máy nén khí,
Bộ nguồn thủy lực, Xilanh thủy lực, van thủy lực, lọc dầu, môtơ, động cơ điện.
Với đội ngũ chuyên gia 12 năm kinh nghiệm từ các trường Đại học Bách Khoa, Đại học công nghiệp, Đại học SP kỹ thuật Hưng Yên.. tư vấn giải pháp tối ưu, tiết kiệm nhất cho khách hàng.
Sản phẩm chính hãng, có bảo hành
Tư vấn miễn phí, hướng dẫn lắp đặt
Quý khách có nhu cầu liên hệ Hotline:0977282045, 0989257507 Email:sieuthithuyluc@gmail.com
Địa chỉ: Số 4, ngõ 110 Trần Duy Hưng,Trung Hòa,Cầu Giấy, Hà Nội.
Xem thêm BỘ LỌC KHÍ NÉN YUKEN