-
-
-
Tổng tiền thanh toán:
-
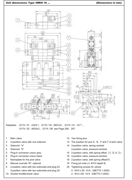
Thương hiệu: HUADE Loại: Van thủy lực
Van phân phối điều khiển gián tiếp bằng điện 4WEH16E50B/6AW220-50NETZ5L Huade được phân phối chính hãng giá tốt tại Siêu Thị Thủy Lực. Liên hệ ngay qua hotline 0977.282.045 để được tư vấn.
- Xuất xứ: Sản xuất theo tiêu chuẩn Rexroth – Germany
- Áp suất max: 28.0 Mpa
- Lưu lượng max: 300l/min
- Điện áp 220VAC (50Hz)


Xem thêm: Van phân phối điều khiển bằng điện Huade 4WE6J60B/CG24N9Z5L




- Trong các nhà máy ép nhựa, ép phế liệu, máy ép thủy lực, nhôm, máy đùn nhôm, các nhà sản xuất phụ trợ cho công ty Honda, Toyota
- Các nhà máy sản xuất ximang ( Xuân Thành, Quang Sơn, Bỉm Sơn, The Visai….)
- Các nhà máy thép (Hòa Phát,...)
- Dùng trong các nhà máy ép nhựa
- Máy Cán tôn

Van phân phối điều khiển gián tiếp 4WEH16E50B/6AW220-50NETZ5L Huade được phân phối chính hãng, giá tốt tại Siêu Thị Thủy Lực với nhiều tính năng nổi bật vượt trội. Siêu Thị Thủy Lực cam kết hàng chính hãng, hỗ trợ giao hàng nhanh trên toàn quốc.
Hàng sẵn tại kho Siêu Thị Thủy Lực. Liên hệ ngay qua hotline 0977.282.045 để được tư vấn, hỗ trợ giải đáp về sản phẩm.
CÔNG TY CỔ PHẦN TỰ ĐỘNG HÓA AN HUY
——————————————————————————
Địa chỉ : 91 Đê La Thành, Ô Chợ Dừa, Đống Đa, Hà Nội
Điện thoại: 0977282045 – 0989257507
Website: https://anhuyautomatic.com.vn/
Email: anhuyhydraulic@gmail.com
——————————————————————————
Xem thêm: Van 4we huade