-
-
-
Tổng tiền thanh toán:
-
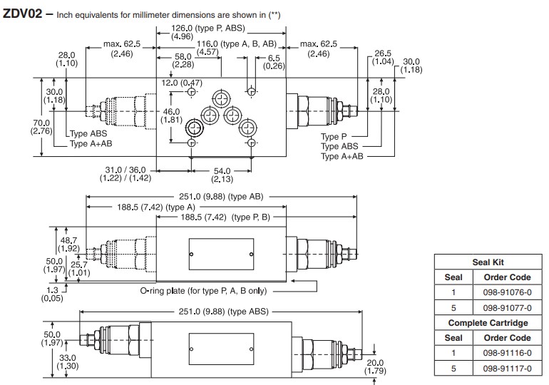
Thương hiệu: Parker Loại: (Đang cập nhật ...)
Parker là một hãng xuất xứ từ Mỹ chuyên sản xuất các thiết bị về thủy lực có chất lượng hàng đầu thế giới. Các dòng sản phẩm nổi tiếng của Parker như Bơm Thủy lực Parker, Van thủy lực Parker, Xy lanh thủy lực Parker,... Với 100 năm hình thành và phát triển (1918-2019), Parker Hannifin trở thành một trong những nhà cung cấp thủy lực lớn nhất thế giới với doanh thu hàng năm lên đến hàng tỷ đô la Mỹ. Sản phẩm Parker được người tiêu dùng đánh giá chất lượng và đẳng cấp.




Dùng nhiều trên các thiết bị công nghiệp; máy ép-đùn nhôm, máy chấn, dập,
Dùng trong các hệ thống thủy lực trong nhà máy xi măng (Hệ thống thủy lực điều khiển Sàn ghi…),
Hệ thống thủy lực nhà máy Thép (Hệ thống nghiêng lò, nắn nguội, hệ thống băm chặt phế), …..
Dùng trên các thiết bị máy công trình: Máy múc, xe nâng, máy khoan…..
Công ty An Huy có đội ngũ tư vấn nhiệt tình, tận tâm. Chỉ cần bạn có bất cứ thắc mắc gì về sản phẩm đội ngũ tư vấn sẽ tận tình giải đáp giúp bạn.
Sản phẩm chính hãng, có bảo hành
Tất cả hàng hóa đều có nguồn gốc xuất xứ rõ ràng, minh bạch, chính hãng từ các nhà sản xuất và các nhà nhập khẩu; hình ảnh và video sản phẩm trung thực. Tuyệt đối không bán hàng giả, hàng nhái thương hiệu, hàng kém chất lượng
Tất cả các mặt hàng đều có sẵn trong kho của công ty.
Tuân thủ pháp luật Việt Nam về bán hàng và bảo vệ quyền lợi người tiêu dùng
Sieuthithuyluc nhà phân phối các sản phầm: Bơm thủy lực; Van thủylực; Xy lanh thủy lực; Bộ nguồn thủy lực; Thiết bị khí nén…từ các thương hiệu hàng đầu thế giới Parker, Eaton, ASEDA, YUKEN…
Quý khách liên hệ ngay để nhận bảng giá tốt nhất.
Hotline:0977282045, 0989257507
Email:sieuthithuyluc@gmail.com
Địachỉ: Số 4, ngõ 110 TrầnDuyHưng, TrungHòa,CầuGiấy, HàNội
Xem thêm Các sản phẩm của hãng Parker