-
-
-
Tổng tiền thanh toán:
-
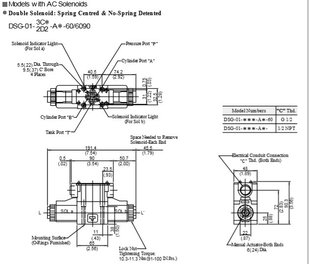
VAN ĐIỆN TỪ YUKEN DSG-01
– Số vị trí: là số định vị con trượt của van. Thông thường van phân phối thủy lực có từ 2 đến 3 vị trí. Trong những trường hợp đặc biệt số vị trí có thể nhiều hơn.
– Số cửa: là số lỗ để dẫn dầu vào hay ra. Số cửa của van phân phối thủy lực thường là 2, 3 và 4. Trong những trường hợp đặc biệt số cửa có thể nhiều hơn.
Van điện từ YUKEN DSG có chức năng chính là thay đổi hướng dòng chất lỏng, qua đó thực hiện mục tiêu điều khiển truyền dẫn. Được ứng dụng rộng rãi trong nhiều hệ thống thủy lực, đặc biệt là thủy lực tự động: máy ép, xe chuyên dùng…

Lưu lượng làm việc lớn nhất(Max. Flow): 100 L/min
Áp suất làm việc lớn nhất (Max. Operating Pressure): 35 MPa

DSG-01-2B2-A240/D24, DSG-01-2B3-A240/D24
DSG-01-2B3B-A240/D24, DSG-01-2B60B-A240/24
DSG-01-2B8-A240/D24, DSG-01-3C2-A240/D24
DSG-01-3C3-A240/D24, DSG-01-3C4-A240/D24
DSG-01-3C5/3C60-A220/D24, DSG-01-3C9/3C11/3C12-A240/D24
Tham khảo: Bơm bánh răng Parker PGP chính hãng giá tốt





Ứng dụng của sản phẩm van YUKEN
Xem thêm: Nhà phân phối Parker tại Hà Nội
YUKEN, ASEDA, PARKER, EATON……
Xilanh khí, xilanh điện, Xilanh thủy lực, van điện từ, bộ lọc khí, co nối và ống. Máy nén khí,
Bộ nguồn thủy lực, Xilanh thủy lực, van thủy lực, lọc dầu, môtơ, động cơ điện.
Với đội ngũ chuyên gia 12 năm kinh nghiệm từ các trường Đại học Bách Khoa, Đại học công nghiệp, Đại học SP kỹ thuật Hưng Yên.. tư vấn giải pháp tối ưu, tiết kiệm nhất cho khách hàng.
Sản phẩm chính hãng, có bảo hành
Tư vấn miễn phí, hướng dẫn lắp đặt
Quý khách có nhu cầu liên hệ Hotline:0977282045, 0989257507 Email:sieuthithuyluc@gmail.com
Địa chỉ: Số 4, ngõ 110 Trần Duy Hưng,Trung Hòa,Cầu Giấy, Hà Nội.
Xem thêm Bơm thủy lực YUKEN