Mô tả chi tiết VAN CHỐNG LÚN MODUL HUADE
VAN CHONG LÚN MODUL HUADE xuất xứ Huade
Huade là một trong những nhà sản suất thủy lực hành đầu thế giới với nhiều năm kinh nghiệm sản xuất. Các sản phẩm của Huade đều được gia công theo tiêu chuẩn Rexroth- ĐỨC.
Huade chuyên OEM cho thương hiệu thủy lực hàng đầu thế giới với các sản phẩm chính là bơm piston thiết kế trục cong và van áp suất cao. Họ cũng sản xuất các đơn vị năng lượng, đơn vị lái thủy lực, hộp số hành tinh, con dấu, máy công cụ và đúc. Các sản phẩm chính được chứng nhận ISO 9001
Thông số kỹ thuật của VAN CHỐNG LÚN MODUL HUADE
- Van chống lún ,
- Van giữ tải
- 35Mpa Max. / Chạy liên tục
- 60-360 L/min / Lưu lượng riêng
- Hiệu xuất cao
- Nhiệt độ -30 – 80 độ C
- Kiểu lắp modul
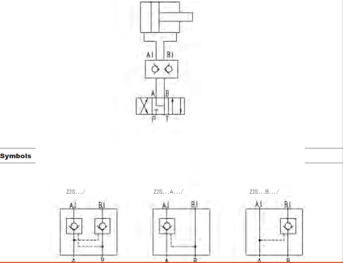
Mã đặt hàng (Order)



Ứng dụng
- Van Huade được dùng nhiều trên các thiết bị công nghiệp, Máy máy bồn inox, máy ép mùn cưa , máy ép gỗ, máy ép phế liệu…..
- Máy công cụ : máy tiện cnc máy phay, máy cưa, máy trấn tôn….
- Dùng cho máy công trình như : xe bơm bê tông, máy ép cọc bê tông, Máy ép cừ,xe cẩu từ 15-200 tấn….
- Trong các nhà máy sản xuất xi măng, Nhà máy sản xuất thép,nhà máy đúc nhôm, đồng….
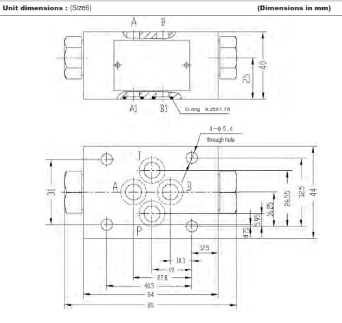
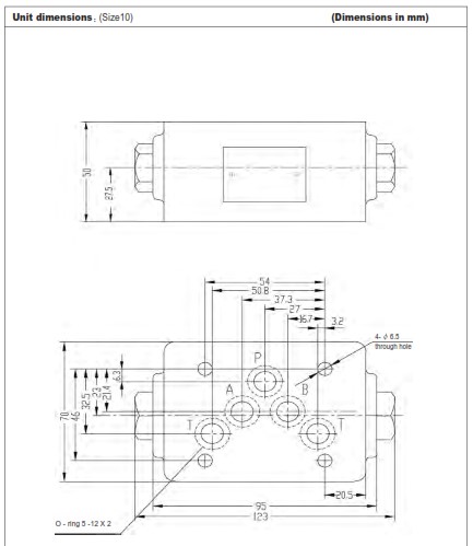
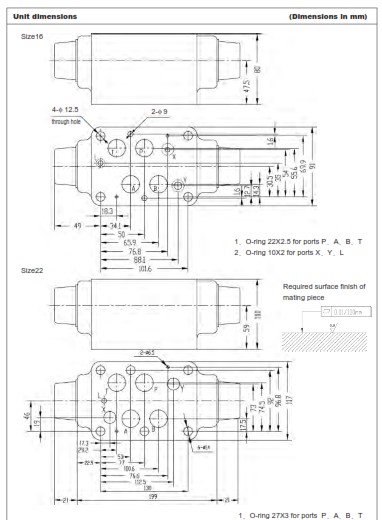
Kích thước lắp đặt




Lý do bạn nên mua sản phẩm VAN CHỐNG LÚN MODUL HUADE tại Sieuthithuyluc
- Đội ngũ kĩ sư chuyên nghiệp luôn tứ vấn và đưa ra giải pháp tốt nhất đến khách hàng.
- Hàng luôn có sẵn tại kho với số lượng lớn nhất.
- Chứng nhận độc quyền tại Việt Nam.
- Bảo hành sản phẩm theo đúng chế độ bảo hành của hãng.
- Trung thực với khách hàng, phục vụ bằng cả trái tim và sự trân trọng nhất. Cam kết luôn đảm bảo quyền lợi của khách hàng.
Quý khách có nhu cầu liên hệ Hotline:0977282045, 0989257507 Email:sieuthithuyluc@gmail.com
Địa chỉ: Số 4, ngõ 110 Trần Duy Hưng,Trung Hòa,Cầu Giấy, Hà Nội.
Xem thêm thiết bị thủy lực