-
-
-
Tổng tiền thanh toán:
-
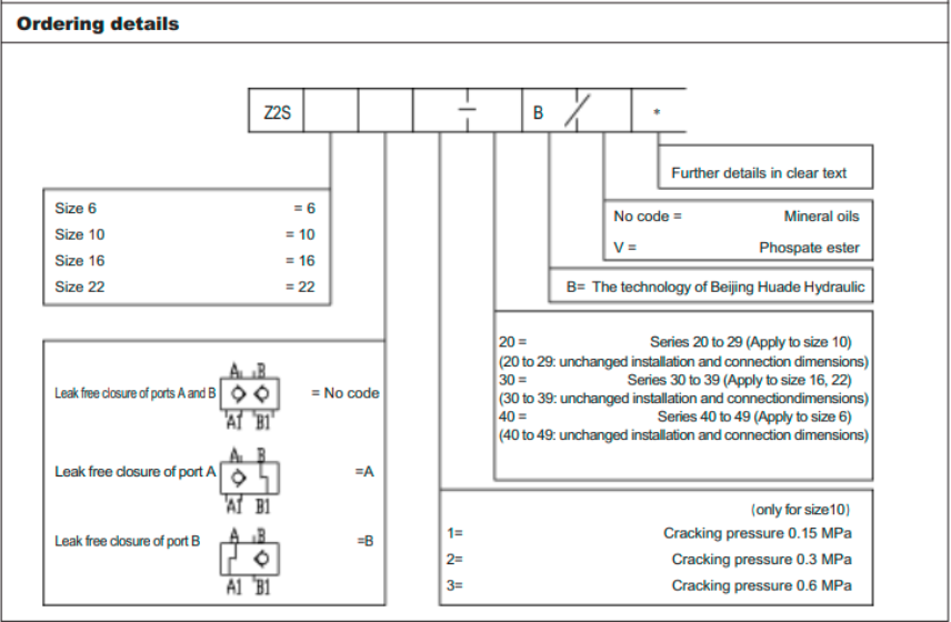
Thương hiệu: HUADE Loại: Van chống lún
Van chống lún Huade Z2S16-30B được Siêu Thị Thủy Lực được phân phối, nhập khẩu chính hãng 100%. Cam kết hàng chính hãng, bảo hành theo đúng quy định.
- Xuất xứ: Sản xuất theo tiêu chuẩn Rexroth – Germany
- Lưu lượng max: 200l/min
- Áp suất max : 31.5Mpa
- Áp suất kích mở: 0,25 Mpa

Xem thêm: Van điều khiển gián tiếp bằng điện 4weh16j50b/60eg24netz5l huade



Siêu Thị Thủy Lực là nhà phân phối với 15 năm kinh nghiệm trong lĩnh vực thủy lực khí nén, chuyên cung cấp các thiết bị được nhập khẩu chính hãng từ các thương hiệu lớn như: PARKER, NACHI, HUADE, YUKEN, YUCIYUKEN, AH-HYDRAULIC,... Nhập khẩu số lượng lớn van chống lún Huade Z2S16-30B, Siêu Thị Thủy Lực có chính sách giá đại lý với những khách hàng liên hệ sớm qua hotline 0977.282.045. Liên hệ ngay hôm nay để mua hàng với nhiều ưu đãi.
CÔNG TY CỔ PHẦN TỰ ĐỘNG HÓA AN HUY
——————————————————————————
Địa chỉ : 91 Đê La Thành, Ô Chợ Dừa, Đống Đa, Hà Nội
Điện thoại: 0977282045 – 0989257507
Website: https://anhuyautomatic.com.vn/
Email: anhuyhydraulic@gmail.com
——————————————————————————
Xem thêm: Van tỷ lệ huade 4wra10e40-10b/24z4/m