- 
														
- 
														- 
																Tổng tiền thanh toán:
 
- 
																
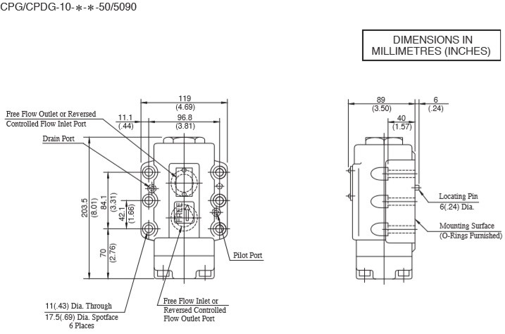
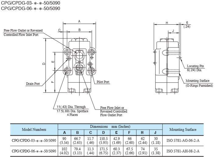
VAN CHỐNG LÚN BẮT BÍCH CPG/CPDG
Van yuken CPDG: là van 1 chiều có điều khiển tùy động lắp ren CPDG. Áp suất điều khiển tùy động nhỏ để cho phép dòng chất lỏng chảy ngược lại khi có dòng điều khiển tùy động. Thường được ứng dụng để giữ tải trong khoang làm việc của cơ cấu chấp hành trong 1 thời gian nhất định mà nguồn chính được xả tải và chỉ xả tải khi có áp suất điều khiển tùy động.
Van chống lún YUKEN bắt bích CPG/CPDG được sử dụng để giữ tải trong khoang làm việc của cơ cấu chấp hành trong một thời gian nhất định khi nguồn chính được xả tải. Và chỉ xả tải khi có áp suất thùy động (pilot).
Hai series van chống lún (Van một chiều có điều khiển) CPG/CPDG là hai loại bắt bích phù hợp với các yêu cầu lắp đặt đa dạng trong các hệ thống thủy lực.

Lưu lượng làm việc lớn nhất(Max. Flow): 40÷250 L/min
Áp suất làm việc lớn nhất (Max. Operating Pressure): 25 MPa

CPG-03-*-*-50, CPG-06
CPG-10, CPDG-03-*-*-50
CPDG-06, CPDG-10



Ứng dụng của sản phẩm van YUKEN
YUKEN, ASEDA, PARKER, EATON……
Xilanh khí, xilanh điện, Xilanh thủy lực, van điện từ, bộ lọc khí, co nối và ống. Máy nén khí,
Bộ nguồn thủy lực, Xilanh thủy lực, van thủy lực, lọc dầu, môtơ, động cơ điện.
Với đội ngũ chuyên gia 12 năm kinh nghiệm từ các trường Đại học Bách Khoa, Đại học công nghiệp, Đại học SP kỹ thuật Hưng Yên.. tư vấn giải pháp tối ưu, tiết kiệm nhất cho khách hàng.
Sản phẩm chính hãng, có bảo hành
Tư vấn miễn phí, hướng dẫn lắp đặt
Quý khách có nhu cầu liên hệ Hotline:0977282045, 0989257507 Email:sieuthithuyluc@gmail.com
Địa chỉ: Số 4, ngõ 110 Trần Duy Hưng,Trung Hòa,Cầu Giấy, Hà Nội.
Xem thêm Bơm thủy lực YUKEN