-
-
-
Tổng tiền thanh toán:
-
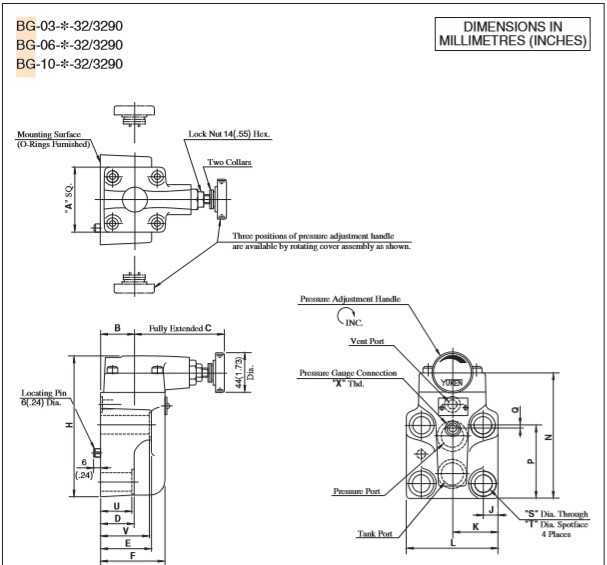
VAN AN TOÀN YUKEN BG/BT
Van an toàn YUKEN series BG/BT được dùng để bảo vệ hệ thống thủy lực khỏi tình trạng quá áp hoặc có thể được dùng dể duy trì áp suất không đổi trong hệ thống.
Hai series van an toàn BG/BT là hai loại bắt bích và bắt ren phù hợp với các yêu cầu lắp đặt đa dạng trong các hệ thống thủy lực.


BG-03-32, BG-06-32, BG-10-32, BT-03-32, BT-06-32, BT-10-32



Ứng dụng của sản phẩm van YUKEN
Xem thêm: Bơm bánh răng Parker PGP chính hãng giá tốt
YUKEN, ASEDA, PARKER, EATON……
Xilanh khí, xilanh điện, Xilanh thủy lực, van điện từ, bộ lọc khí, co nối và ống. Máy nén khí,
Bộ nguồn thủy lực, Xilanh thủy lực, van thủy lực, lọc dầu, môtơ, động cơ điện.
Với đội ngũ chuyên gia 12 năm kinh nghiệm từ các trường Đại học Bách Khoa, Đại học công nghiệp, Đại học SP kỹ thuật Hưng Yên.. tư vấn giải pháp tối ưu, tiết kiệm nhất cho khách hàng.
Sản phẩm chính hãng, có bảo hành
Tư vấn miễn phí, hướng dẫn lắp đặt
Xem thêm: Van thủy lực YUKEN
Quý khách có nhu cầu liên hệ Hotline:0977282045, 0989257507 Email:sieuthithuyluc@gmail.com
Địa chỉ: Số 4, ngõ 110 Trần Duy Hưng,Trung Hòa,Cầu Giấy, Hà Nội.
Xem thêm BỘ LỌC KHÍ NÉN YUKEN