-
-
-
Tổng tiền thanh toán:
-
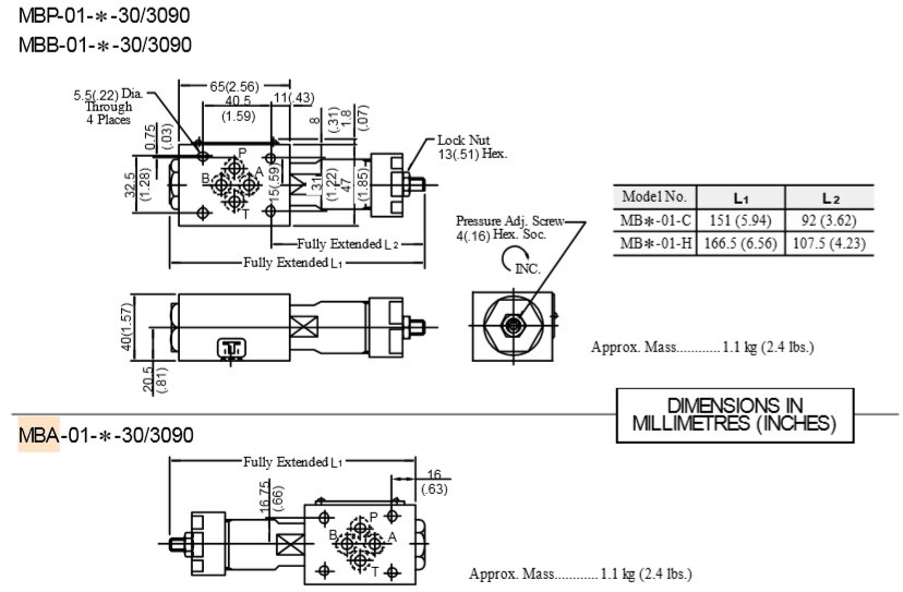
VAN AN TOÀN MODUL YUKEN MBP/MBA/MBB-01
THÔNG TIN SẢN PHẨM
YUKEN là thương hiệu thủy lực từ Nhật Bản có chất lượng hàng đầu về cung cấp các thiết bị thủy lực.
Van thủy lực YUKEN được khách hàng đánh giá cao về chất lượng và giá cả.
Van an toàn modul YUKEN MBP/MBA/MBB thường được lắp trên hệ thống thủy lực để đảm bảo hệ thống có áp suất ổn định, không bị quá tải. Van dạng modul lắp chồng trực tiếp dưới van thủy lực điện từ, trên đế van thủy lực, dễ dàng trong lắp đặt và thay thế.

THÔNG SỐ KỸ THUẬT

MÃ ĐẶT HÀNG
MBP-01-30
MBA-01-30
MBB-01-30


Phạm vi ứng dụng
YUKEN, ASEDA, PARKER, EATON……
Xilanh khí, xilanh điện, Xilanh thủy lực, van điện từ, bộ lọc khí, co nối và ống. Máy nén khí,
Bộ nguồn thủy lực, Xilanh thủy lực, van thủy lực, lọc dầu, môtơ, động cơ điện.
Với đội ngũ chuyên gia 12 năm kinh nghiệm từ các trường Đại học Bách Khoa, Đại học công nghiệp, Đại học SP kỹ thuật Hưng Yên.. tư vấn giải pháp tối ưu, tiết kiệm nhất cho khách hàng.
Sản phẩm chính hãng, có bảo hành
Tư vấn miễn phí, hướng dẫn lắp đặt
Quý khách có nhu cầu liên hệ Hotline:0977282045, 0989257507 Email:sieuthithuyluc@gmail.com
Địa chỉ: Số 4, ngõ 110 Trần Duy Hưng,Trung Hòa,Cầu Giấy, Hà Nội.
Xem thêm Bơm thủy lực YUKEN