-
-
-
Tổng tiền thanh toán:
-
Mua bơm thủy lực xe cẩu chính hãng giá tốt nhất miền Bắc
03/03/2020
Cấu tạo bơm thủy lực cho xe cẩu
Xe cẩu là một loại máy chuyên dụng, sử dụng để nâng hạ những vật có khối lượng rất lớn lên đến hàng nghìn tấn. Nếu sử dụng các hệ thống chuyền lực cơ học bình thường thì khối lượng cũng như kích thước của xe sẽ rất lớn bất tiện cho việc di chuyển.
Vì vậy hệ thống thủy lực ra đời đánh dấu một bước ngoặt lớn cho sự phát triển của nghành công nghiệp chế tạo xe cẩu nói riêng hay máy công trình nói chung.

Hình 1.1: hình ảnh ví dụ xe cẩu với tải max 16 tấn khi bán kính vươn 2,7 m và 1 tấn khi bán kính vươn xa nhất 18,5 m. Góc quay 360 độ.

Hệ thống thủy lực cung cấp cho các chức năng: Vươn cần bằng xi lanh lồng; quay tời, quay toa bằng mô tơ thủy lực; nâng hạ cần và chân chống bằng các xi lanh khác.
Lưu lượng 80 L/ph, Thùng dầu 260 lit, áp suất bơm 280 bar, Công suất khuyên dùng 41 KW.
Xem thêm: Bơm bánh răng Parker PGP, giá tốt nhất thị trường, hàng nhập khẩu chính hãng Mỹ
Nguyên lý hoạt động bơm thủy lực cho xe cẩu
Các loại bơm và mô tơ thủy lực dùng trong các hệ thủy lực trên các xe cẩu cũng như trên cẩu trục: Đặc điểm các loại bơm thủy lực là làm việc trong môi trường khắc nghiệt : áp suất làm việc liên tục cao 200 bar đến 260 bar, vân tốc quay cao và biến đổi trong quá trình làm việc vì chạy bằng động cơ diesel từ 1200 v/ph đến 3000 v/ph. Điều kiện môi trường xung quanh bụi bặm, không khi ẩm ướt như trên các cầu cảng, trên giàn khoan ngoài khơi v.v…
Phân loại bơm thủy lực xe cẩu? Nên chọn bơm thủy lực loại nào?
Các loại bơm và mô tơ được chế tạo bởi các hãng nổi tiếng có công nghệ ổn định như: Rexroth; Parker; Eaton;Vicker; Denison; Tokimec … Các loại bơm và mô tơ thương gặp là bơm và mô tơ piston; cánh gạt; bánh răng.
Dưới đây là hình ảnh các loại bơm mà thường được sử dung trong các loại xe cẩu; cẩu trục v.v…
Tham khảo: Bơm piston parker pvp
Các bơm có thể được mã lại của nhà chế tạo cẩu và có sửa đổi một vài chi tiết như mặt bích gá bơm mô tơ; kiểu trục bơm cũng như cửa hút đẩy của chúng.
Bơm và các thiết bị thủy lực dùng lắp trên các xe hoặc thiết bị cẩu rất cần độ bền cao,chịu được các môi trường khắc nghiêt như đã nêu trên đảm bảo độ tin cậy cao và sự an toàn tuyệt đối khi đang làm việc.
Chọn bơm để thay thế cho bơm của các cẩu bị hỏng cần nghiên cứu kỹ mã và hãng cũng như kích thước lắp đặt để bơm mới phải đáp ứng đủ các thông số kỹ thuật cũng như kích thước và kiểu lắp của chúng hoàn toàn tương thích. Nểu có sự thay đổi thì phải đảm bảo chắc chắn về chất lương tương ứng của Châu Âu.
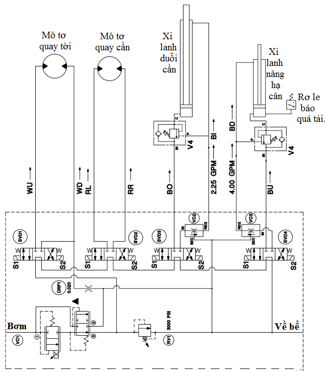
Sơ đồ mạch thủy lực cơ bản cho một xe cẩu

Trên sơ đồ này có thể bổ sung các chức năng khác: ví dụ hệ thống phanh; định vị; hệ thống trợ lái; hệ thống nâng, hạ chân chống; hệ thông di chuyển như cẩu trên xe xích chẳng hạn….
Mua bơm thủy lực xe cẩu chính hãng giá tốt nhất miền Bắc
Siêu thị thủy lực
Địa chỉ: Số 4 ngõ 110 Trần Duy Hưng, Trung Hòa, Cầu Giấy, Hà Nội
Điện thoại: 0977282045
Email: sieuthithuyluc@gmail.com