-
-
-
Tổng tiền thanh toán:
-
MOTOR PISTON A6V HUADE giá rẻ nhất tại Siêu thị thủy lực. Siêu thị thủy lực nhà phân phối thủy lực hàng đầu tại Việt Nam với 12 năm kinh nghiệm về thiết bị thủy lực. Liên hệ ngay để được tư vấn và nhận ưu đãi tốt nhất
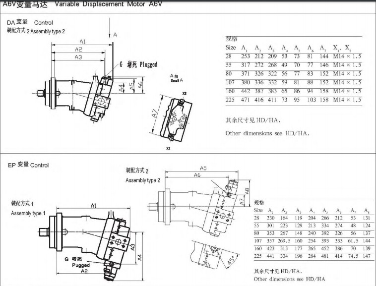
MOTOR PISTON A6V HUADE xuất xứ Huade
Huade là một trong những nhà sản suất thủy lực hành đầu thế giới với nhiều năm kinh nghiệm sản xuất. Các sản phẩm của Huade đều được gia công theo tiêu chuẩn Rexroth- ĐỨC.
Huade chuyên OEM cho thương hiệu thủy lực hàng đầu thế giới với các sản phẩm chính là bơm piston thiết kế trục cong và van áp suất cao. Họ cũng sản xuất các đơn vị năng lượng, đơn vị lái thủy lực, hộp số hành tinh, con dấu, máy công cụ và đúc. Các sản phẩm chính được chứng nhận ISO 9001
Xem thêm: Bơm bánh răng Parker PGP chính hãng giá tốt



Ứng dụng:
Xem thêm: Bảng giá bơm thủy lực Parker







Quý khách có nhu cầu liên hệ Hotline:0977282045, 0989257507 Email:sieuthithuyluc@gmail.com
Địa chỉ: Số 4, ngõ 110 Trần Duy Hưng,Trung Hòa,Cầu Giấy, Hà Nội.
Xem thêm thiết bị thủy lực