-
-
-
Tổng tiền thanh toán:
-
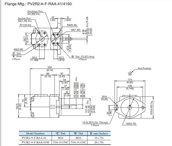
Thương hiệu: YUKEN Loại: Bơm thủy lực
Lưu lượng(Displacement): 41.3 cc ÷ 64.7 cc
Áp suất làm việc tối đa(Max operating pressure): 210 bar
Tốc độ tối đa(Max. speed): 1800 rpm
THÔNG TIN SẢN PHẨM
Bơm cánh gạt YUKEN PV2R2-41/47/53/59/65 là dòng sản phẩm có chất lượng tốt, chịu được áp suất cao, chạy êm, độ ồn thấp, dễ thay thế sữa chữa nên được sử dụng rộng rãi trong các máy công cụ như: máy gia công cơ khí, máy ép nhựa, đúc nhôm, máy CNCS
Xem thêm Bơm cánh gạt Yuken PV2R1


Tham khảo: Bơm bánh răng Parker PGP365



Quý khách có nhu cầu liên hệ Siêu thị thủy lực
Hotline:0977282045 or 0989257507
Email:sieuthithuyluc@gmail.com
Địa chỉ: Số 4, ngõ 110 Trần Duy Hưng,Trung Hòa,Cầu Giấy, Hà Nội.
Xem thêm Bơm thủy lực xe nâng