THÔNG TIN SẢN PHẨM
Bơm cánh gạt Yuken PV2R3-76/94/116 là dòng sản phẩm có chất lượng tốt, chịu được áp suất cao, chạy êm, độ ồn thấp, dễ thay thế sữa chữa nên được sử dụng rộng rãi trong các máy công cụ như: máy gia công cơ khí, máy ép nhựa, đúc nhôm, máy CNC…
Sơ đồ lắp đặt Bơm Yuken PV2R3-76/94/116

Thông số kĩ thuật Bơm Yuken PV2R3-76/94/116
- Lưu lượng(Displacement): 76.4 cc ÷ 115.6 cc
- Áp suất làm việc tối đa(Max operating pressure): 210 bar
- Tốc độ tối đa(Max. speed): 1800 rpm

Tham khảo: Bơm bánh răng Parker PGP
Mã đặt hàng Bơm Yuken PV2R3-76/94/116
Ứng dụng Bơm Yuken PV2R3-76/94/116
- Máy ép nhựa
- Mũ bảo hiểm, phế liệu, máy ép thủy lực, nhôm, máy đùn nhôm, các nhà sản xuất phụ trợ cho công ty honda, Toyota
- Các nhà máy sản xuất ximang ( Xuân Thành, Quang Sơn, Bỉm Sơn, The Visai….)
- Các nhà máy thép (Hòa Phát, Thái Nguyên, Thép Việt Nhật….)
- Máy Cán tôn
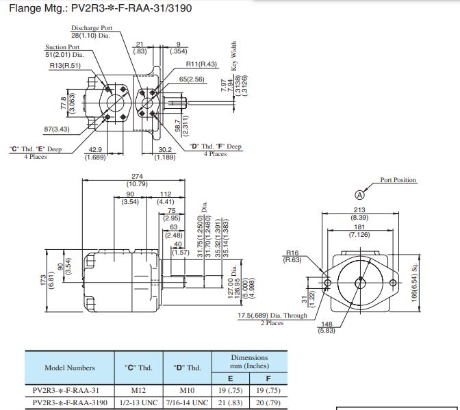
Kích thước lắp đặt Bơm Yuken PV2R3-76/94/116


Siêu thị thủy lực chuyên cung cấp các sản phẩm của những hãng nổi tiếng như:
- YUKEN, ASEDA, PARKER, EATON……
- Xilanh khí, xilanh điện, Xilanh thủy lực, van điện từ, bộ lọc khí, co nối và ống. Máy nén khí,
- Bộ nguồn thủy lực, Xilanh thủy lực, van thủy lực, lọc dầu, môtơ, động cơ điện.
- Với đội ngũ chuyên gia 12 năm kinh nghiệm từ các trường Đại học Bách Khoa, Đại học công nghiệp, Đại học SP kỹ thuật Hưng Yên.. tư vấn giải pháp tối ưu, tiết kiệm nhất cho khách hàng.
- Sản phẩm chính hãng, có bảo hành
- Tư vấn miễn phí, hướng dẫn lắp đặt
Quý khách có nhu cầu liên hệ Siêu thị thủy lực
Hotline:0977282045 or 0989257507 Email:sieuthithuyluc@gmail.com
Địa chỉ: Số 4, ngõ 110 Trần Duy Hưng,Trung Hòa,Cầu Giấy, Hà Nội.
Xem thêm VAN THỦY LỰC YUKEN