Mô tả chi tiết về Bơm thủy lực Piston Yuken A3H-16/37/56/71/100/145/180
YUKEN là thương hiệu thủy lực từ Nhật Bản có chất lượng hàng đầu về cung cấp cái thiết bị thủy lực.
Bơm thủy lực YUKEN được khách hàng đánh giá cao về chất lượng giá cả và kiểm định
Sơ đồ lắp đặt Bơm thủy lực Piston Yuken A3H-16/37/56/71/100/145/180

Xem thêm Bơm thủy lực Aseda
Thông số kĩ thuật Bơm thủy lực Piston Yuken A3H-16/37/56/71/100/145/180


Mã đặt hàng (order) Bơm thủy lực Piston Yuken A3H-16/37/56/71/100/145/180
Ứng dụng Bơm thủy lực Piston Yuken A3H-16/37/56/71/100/145/180
- Dùng nhiều trên các thiết bị công nghiệp; Máy gia công CNC, máy ép, dập các sản phẩn định hình trong nhà máy sản xuất linh kiện Ô tô, xe máy
- Trên các máy ép nhựa, máy ép cao su…
- Trong các nhà máy sản xuất xi măng, Nhà máy sản xuất thép.
Xem thêm Bơm piston Yuken A37
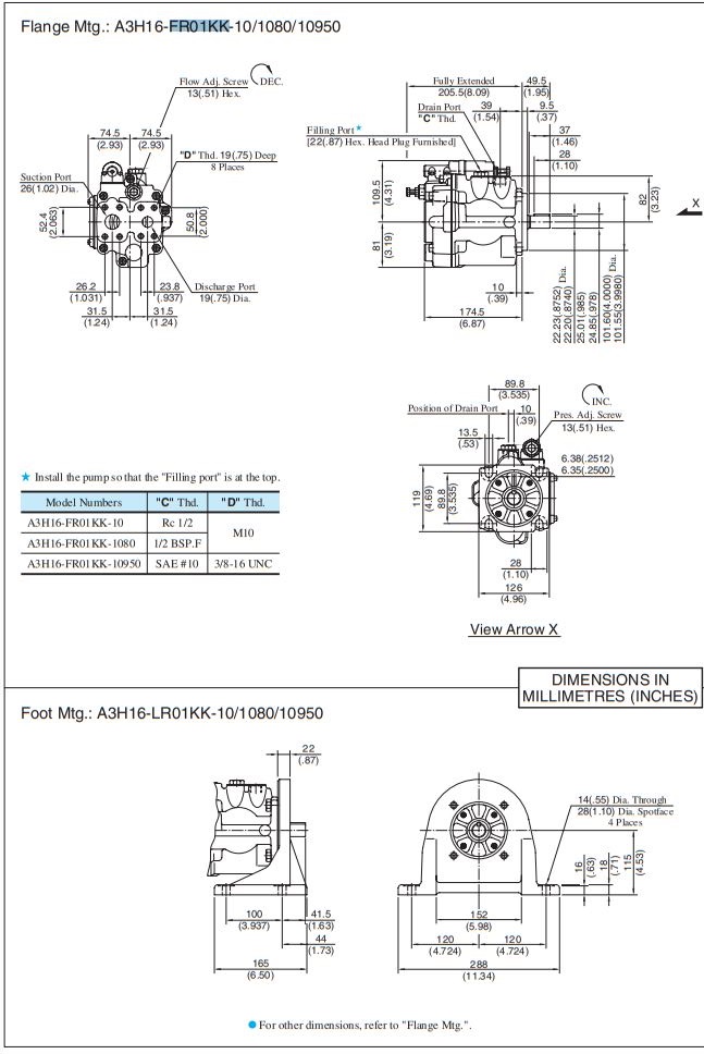
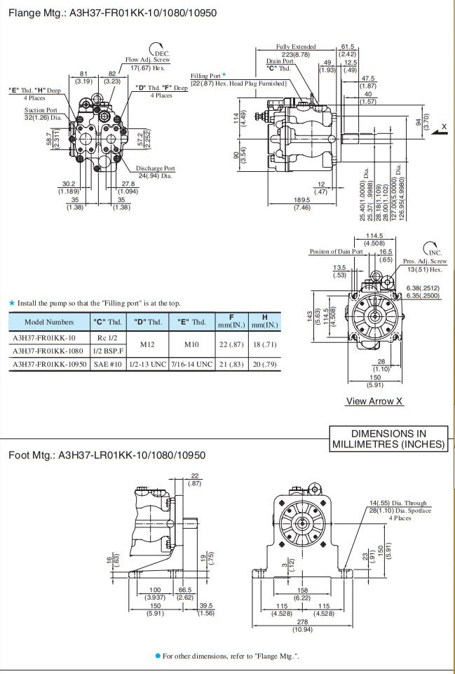
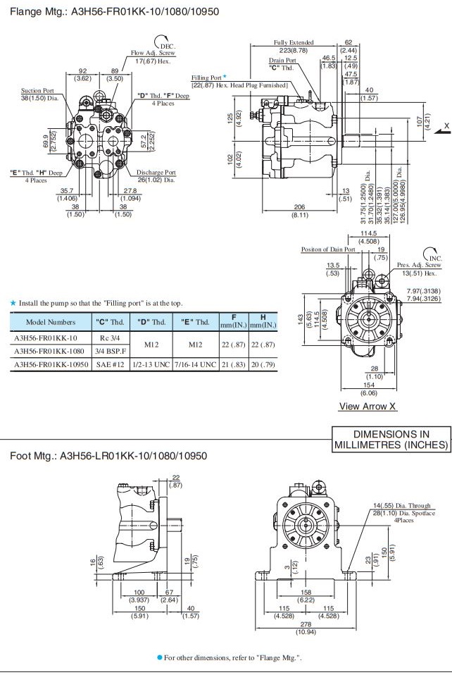
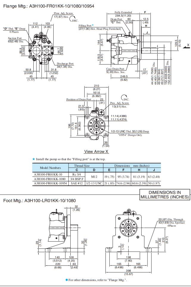
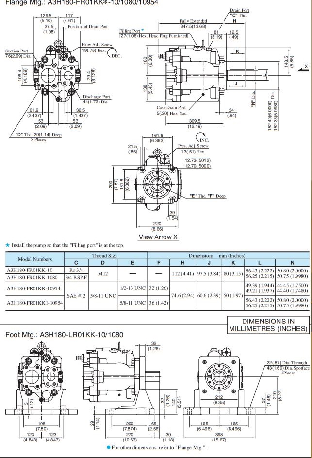
Kích thước lắp đặt Bơm thủy lực Piston Yuken A3H-16/37/56/71/100/145/180







Siêu thị thủy lực chuyên cung cấp các sản phẩm của những hãng nổi tiếng như:
- YUKEN, ASEDA, PARKER, EATON……
- Xilanh khí, xilanh điện, Xilanh thủy lực, van điện từ, bộ lọc khí, co nối và ống. Máy nén khí,
- Bộ nguồn thủy lực, Xilanh thủy lực, van thủy lực, lọc dầu, môtơ, động cơ điện.
- Với đội ngũ chuyên gia 12 năm kinh nghiệm từ các trường Đại học Bách Khoa, Đại học công nghiệp, Đại học SP kỹ thuật Hưng Yên.. tư vấn giải pháp tối ưu, tiết kiệm nhất cho khách hàng.
- Sản phẩm chính hãng, có bảo hành
- Tư vấn miễn phí, hướng dẫn lắp đặt
Quý khách có nhu cầu liên hệ Siêu thị thủy lực
Hotline:0977282045 or 0989257507
Email:sieuthithuyluc@gmail.com
Địa chỉ: Số 4, ngõ 110 Trần Duy Hưng,Trung Hòa,Cầu Giấy, Hà Nội.
Xem thêm VAN THỦY LỰC YUKEN