Bơm Thủy Lực Đơn Không Điều Chỉnh Lưu Lượng PVL1-2/3/4/6/8/11 giá tốt, sản phẩm chất lượng tại An Huy
Bơm Thủy Lực Đơn Không Điều Chỉnh Lưu Lượng PVL1-2/3/4/6/8/11 xuất xứ từ thương hiệu YUKEN.
YUKEN là thương hiệu thủy lực từ Nhật Bản có chất lượng hàng đầu về cung cấp các thiết bị thủy lực.
Bơm thủy lực YUKEN được khách hàng đánh giá cao về chất lượng giá cả và kiểm định
Xem thêm Bơm cánh gạt Yuken PV2R1-23
Sơ đồ lắp đặt Bơm Thủy Lực Đơn Không Điều Chỉnh Lưu Lượng PVL1-2/3/4/6/8/11

Xem thêm Bơm thủy lực Parker
Thông số kĩ thuật Bơm Thủy Lực Đơn Không Điều Chỉnh Lưu Lượng PVL1-2/3/4/6/8/11

Mã đặt hàng (ORDER) Bơm Thủy Lực Đơn Không Điều Chỉnh Lưu Lượng PVL1-2/3/4/6/8/11

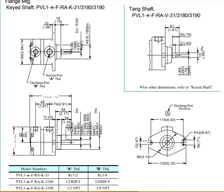
Kích thước lắp đặt Bơm Thủy Lực Đơn Không Điều Chỉnh Lưu Lượng PVL1-2/3/4/6/8/11



Ứng dụng của Bơm Thủy Lực Đơn Không Điều Chỉnh Lưu Lượng PVL1-2/3/4/6/8/11
- Ứng dụng trong các loại máy công nghiệp như máy ép, máy dập , máy chấn
máy công trình như máy xúc , máy đào..
- Trong các nhà máy sản xuất ximang ( Xuân Thành, Quang Sơn, Bỉm Sơn, The Visai….), các nhà máy thép (Hòa Phát, Thái Nguyên, Thép Việt Nhật….)
Siêu thị thủy lực chuyên cung cấp các sản phẩm của những hãng nổi tiếng như:
- YUKEN, ASEDA, PARKER, EATON……
- Xilanh khí, xilanh điện, Xilanh thủy lực, van điện từ, bộ lọc khí, co nối và ống. Máy nén khí,
- Bộ nguồn thủy lực, Xilanh thủy lực, van thủy lực, lọc dầu, môtơ, động cơ điện.
- Với đội ngũ chuyên gia 12 năm kinh nghiệm từ các trường Đại học Bách Khoa, Đại học công nghiệp, Đại học SP kỹ thuật Hưng Yên.. tư vấn giải pháp tối ưu, tiết kiệm nhất cho khách hàng.
- Sản phẩm chính hãng, có bảo hành
- Tư vấn miễn phí, hướng dẫn lắp đặt
Quý khách có nhu cầu liên hệ Siêu thị thủy lực
Hotline:0977282045 or 0989257507
Email:sieuthithuyluc@gmail.com
Địa chỉ: Số 4, ngõ 110 Trần Duy Hưng,Trung Hòa,Cầu Giấy, Hà Nội.
Xem thêm VAN THỦY LỰC YUKEN