-
-
-
Tổng tiền thanh toán:
-
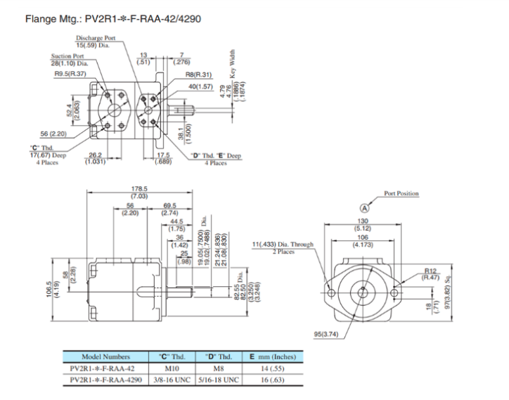
Thương hiệu: YUKEN Loại: bơm cánh gạt
Bơm cánh gạt PV2R1-6-F-RAA-42 Yuken được phân phối chính hãng, đảm bảo 100% chất lượng tại Siêu Thị Thủy Lực. Sản phẩm đã được nhiều đối tượng khách hàng tin dùng và đánh giá cao. Liên hệ ngay qua hotline 0977 282 045 để được đội ngũ nhân viên tư vấn nhanh chóng và chi tiết.
- Xuất xứ: Yuken-Nhật Bản
- Lưu lượng: 6cc
- Áp suất max: 210 bar


Xem thêm: Bơm cánh gạt PR2R2-53-F-1RAA Yuken



Với hơn 15 năm kinh nghiệm trong lĩnh vực thủy lực thủy khí nén Siêu Thị Thủy Lực cam kết mang đến cho khách hàng những sản phẩm chất lượng. Bơm cánh gạt PV2R1-6-F-RAA-42 Yuken được nhập khẩu chính ngạch. Nếu quý khách hàng có nhu cầu liên hệ ngay qua số hotline 0977 282 045 để nhận được thông tin tư vấn chi tiết.
CÔNG TY CỔ PHẦN TỰ ĐỘNG HÓA AN HUY
——————————————————————————
Địa chỉ : 91 Đê La Thành, Ô Chợ Dừa, Đống Đa, Hà Nội
Điện thoại: 0977282045 – 0989257507
Email: anhuyhydraulic@gmail.com
——————————————————————————
Xem thêm: Bơm cánh gạt Yuken PV2R24