Bơm Cánh Gạt Điều Chỉnh Được Lưu Lượng Và Áp Suất Yuken SVPF giá tốt, sản phẩm chất lượng tại Sieuthithuyluc
Bơm Cánh Gạt Điều Chỉnh Được Lưu Lượng Và Áp Suất Yuken SVPF xuất xứ từ thương hiệu YUKEN.
YUKEN là thương hiệu thủy lực từ Nhật Bản có chất lượng hàng đầu về cung cấp các thiết bị thủy lực.
Bơm thủy lực YUKEN được khách hàng đánh giá cao về chất lượng giá cả và kiểm định.
Xem thêm: Bơm Piston Parker
Sơ đồ lắp đặt Bơm Cánh Gạt Điều Chỉnh Được Lưu Lượng Và Áp Suất Yuken SVPF

Thông số kĩ thuật Bơm Cánh Gạt Điều Chỉnh Được Lưu Lượng Và Áp Suất Yuken SVPF

Mã đặt hàng (order) Bơm Cánh Gạt Điều Chỉnh Được Lưu Lượng Và Áp Suất Yuken SVPF

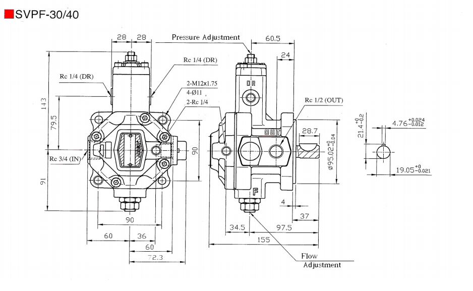
Kích thước lắp đặt Bơm Cánh Gạt Điều Chỉnh Được Lưu Lượng Và Áp Suất Yuken SVPF


Ứng dụng Bơm Cánh Gạt Điều Chỉnh Được Lưu Lượng Và Áp Suất Yuken SVPF
Dùng nhiều trên các thiết bị công nghiệp; Máy gia công CNC, máy ép cơ khí, Máy gia công lắp ráp tự động trên dây chuyền sản xuất của các công ty Nhật Bản
Trong các nhà máy sản xuất xi măng, Nhà máy sản xuất thép.
Siêu thị thủy lực chuyên cung cấp các sản phẩm của những hãng nổi tiếng như:
- YUKEN, ASEDA, PARKER, EATON……
- Xilanh khí, xilanh điện, Xilanh thủy lực, van điện từ, bộ lọc khí, co nối và ống. Máy nén khí,
- Bộ nguồn thủy lực, Xilanh thủy lực, van thủy lực, lọc dầu, môtơ, động cơ điện.
- Với đội ngũ chuyên gia 12 năm kinh nghiệm từ các trường Đại học Bách Khoa, Đại học công nghiệp, Đại học SP kỹ thuật Hưng Yên.. tư vấn giải pháp tối ưu, tiết kiệm nhất cho khách hàng.
- Sản phẩm chính hãng, có bảo hành
- Tư vấn miễn phí, hướng dẫn lắp đặt
Xem thêm: Van thủy lực EATON
Quý khách có nhu cầu liên hệ Siêu thị thủy lực
Hotline:0977282045 or 0989257507
Email:sieuthithuyluc@gmail.com
Địa chỉ: Số 4, ngõ 110 Trần Duy Hưng,Trung Hòa,Cầu Giấy, Hà Nội.
Tham khảo Bơm cánh gạt Yuken PV2R1-23